品名;登山扣户外装备3孔式多用途快速结绳扣打结工具 不锈钢
品牌:无
材质;不锈钢 当然如果用轻量化的纯钛了,但是成本会翻倍。有需求我们再说吧
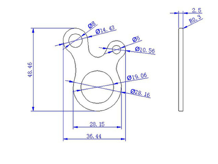
尺寸;全长49mm 宽37mm厚2.5mm
工艺;开料+内孔压型,平磨+滚光 打背,整体内外角边缘/线割/倒角圆弧 ,为什么要累赘加一个线切倒角圆弧,因为之前很多客人反应边缘咯手,那就增加这道工艺。注意:我们的产品边缘是打磨成圆弧过渡的,不是简单的做一个倒角,倒角还是尖锐的棱,会损伤绳子,我们的是完全的圆弧过渡,包括内部的三个空的边缘,全部手工打磨过的
表面处理:钢本色 黑色请备注颜色否则都发不锈钢色
用途;你现在仅仅需要一根4mm左右的绳即可绑定任何物件,快速结绳打包运用广泛,在户外/家居/自驾车领域,一些需要打包/打结的物件很多,比如帐篷,睡袋,背包,大小箱子/大小物件都能用上。看底下产品使用图。
这不紧紧的是个打结扣环,主要是不管您什么用途的绳子,只要有这个打节环,可以很牢固的固定绑定物品,不滑动,不脱落。用途之广。国外很火的设计,操作简单又有创意,朋友不要错过。
包装:OPP袋

实物图:






如何使用:



| 수입신고 1USD |
구매/결제대행 1CNY |
TT송금 1CNY |
|---|---|---|
| 6.23 CNY | 222.66 KRW | 0.145 USD |
