



群汐涵道套装系列,专注于涵道动力系统的研发,生产,采用日本进口材料,性能更高效、动平衡10mg以内,效率值高,可耐180°高温。此款50mm电机QF2611-3300/4000/4600/5000KV高性能无刷直流电机,搭配50涵道12叶正反桨叶风扇,动力强劲、高效!温度低。适用于800g左右的涵道机改装,是广大模友的理想选择!
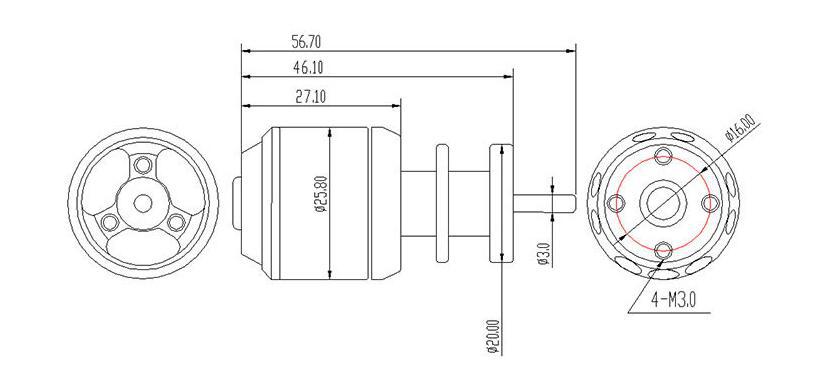
70MM 涵 道 电 机 规 格 参 数↓↓↓↓↓↓↓↓↓↓↓↓↓↓


买家们请注意啦!涵道在测试过程中,请一定注意安全,绝不允许有人站在涵道前面或者伸手到喇叭口(进风口)前端体验吸力,涵道吸力相当惊人,一不小心就被吸进去。风叶相当一把锋利的刀,手指如果被吸到风道里会被风叶切到,后果很严重的哟。一切后果自己承担。祝大家玩得开心!








模友们在玩得开心时别忘了对涵道的保养。涵道电机的轴承是个磨损件,是有寿命限制的,轴承使用寿命根据个人使用条件有直接影响(在泥沙路使用,风叶吸入沙石打坏风叶的动平衡导致马达运转震动、长时间使用轴承磨损导致轴承间隙过大而晃动)
提醒大家对轴承的了解,懂得自我判断轴承寿命,有以下几种方法:
1、手握涵道运转,检查涵道是否有震动;
2、抓住电机外壳摇晃,检查径向方向是否有虚位;
3、用手旋转电机,检查电机旋转是否顺畅。(如果有以上情况,建议更
换轴承,厂家免费维护,只收轴承费用) 如果QX涵道由于长时间使用导致轴承
损坏,厂家不承担任何责任。风叶和轴承属于易损件,不在保修范围内。
| 수입신고 1USD |
구매/결제대행 1CNY |
TT송금 1CNY |
|---|---|---|
| 6.23 CNY | 222.66 KRW | 0.145 USD |
